AutoQuiz is edited by Joel Don, ISA's community manager.
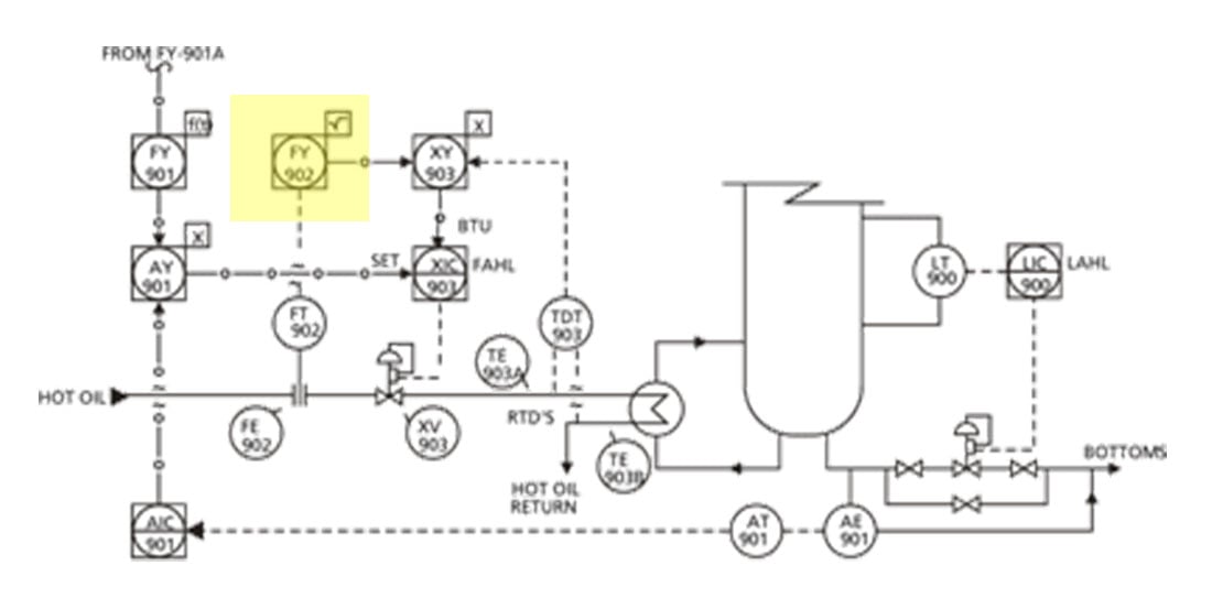
Today's automation industry quiz question comes from the ISA Certified Control Systems Technician (CCST) program. Certified Control System Technicians calibrate, document, troubleshoot, and repair/replace instrumentation for systems that measure and control level, temperature, pressure, flow, and other process variables. Click this link for more information about the CCST program. This question comes from the Level I study guide, Domain 3, Troubleshooting. Level I represents a professional who has a five-year total of education, training, and/or experience.



