This post is an excerpt from the journal ISA Transactions. All ISA Transactions articles are free to ISA members, or can be purchased from Elsevier Press.

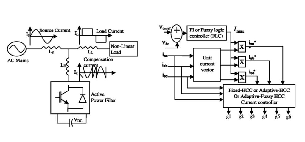
Abstract: This paper presents a shunt Active Power Filter (APF) for power quality improvements in terms of harmonics and reactive power compensation in the distribution network. The compensation process is based only on source current extraction that reduces the number of sensors as well as its complexity. A Proportional Integral (PI) or Fuzzy Logic Controller (FLC) is used to extract the required reference current from the distorted line-current, and this controls the DC-side capacitor voltage of the inverter. The shunt APF is implemented with PWM-current controlled Voltage Source Inverter (VSI) and the switching patterns are generated through a novel Adaptive-Fuzzy Hysteresis Current Controller (A-F-HCC). The proposed adaptive-fuzzy-HCC is compared with fixed-HCC and adaptive-HCC techniques and the superior features of this novel approach are established. The FLC based shunt APF system is validated through extensive simulation for diode-rectifier/R–L loads.
Free Bonus! To read the full version of this ISA Transactions article, click here.
Join ISA and get free access to all ISA Transactions articles as well as a wealth of other technical content, plus discounts on events, webinars, training & education courses, and professional certification.
Click here to join ... learn, advance, succeed!
2006 Elsevier Science Ltd. All rights reserved.



