This post is an excerpt from the journal ISA Transactions. All ISA Transactions articles are free to ISA members, or can be purchased from Elsevier Press.
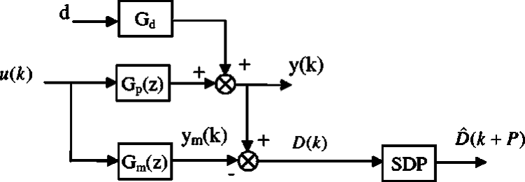
Abstract: Model predictive control (MPC) offers several advantages for control of chemical processes. However, the standard MPC may do a poor job in suppressing the effects of certain disturbances. This shortcoming is mainly due to the assumption that disturbances remain constant over the prediction horizon. In this paper, a simple disturbance predictor (SDP) is developed to provide predictions of the unmodeled deterministic disturbances for a simplified MPC algorithm. The prediction is developed by curve fitting of the past information. A tuning parameter is employed to handle a variety of disturbance dynamics and a procedure is presented to find an optimum value of the tuning parameter online. A comparison is made with the commonly used disturbance prediction on three example problems. The results show that an improved regulatory performance and zero offset can be achieved under both regular and ramp output disturbances by using the proposed disturbance predictor.
Free Bonus! To read the full article on a predictive control algorithm for disturbance rejection, click here.
Enjoy this technical resource article? Join ISA and get free access to all ISA Transactions articles as well as a wealth of other technical content, plus professional networking and discounts on technical training, books, conferences, and professional certification.
Click here to join ... learn, advance, succeed!
2006-2018 Elsevier Science Ltd. All rights reserved.




