This is from a series of articles reprinted from the journal ISA Transactions. All ISA Transactions articles are free to ISA members, or can be purchased from Elsevier Press.
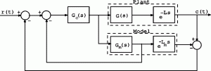
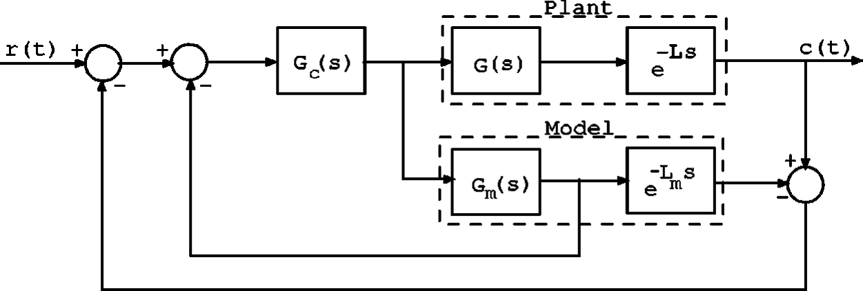
Abstract: The paper extends a recent work on a modified PI-PD Smith predictor, which leads to significant improvements in the control of processes with large time constants or an integrator or unstable plant transfer functions plus long dead time for reference inputs and disturbance rejections. Processes with high orders or long time delays are modeled with lower order plant transfer functions with longer time delays. The PI-PD controller is designed so that the delay-free part of the system output will follow the response of a first-order plant or second-order plant, where it is appropriate, assuming a perfect matching between the actual plant and model in both the dynamics and time delay. The provided simple tuning formulas have physically meaningful parameters. Plant model transfer functions and controller settings are identified based on exact analysis from a single relay feedback test using the peak amplitude and frequency of the process output. Examples are given to illustrate the simplicity and superiority of the proposed method compared with some existing ones.
Free Bonus: To read the full article on autotuning of a new PI-PD Smith predictor, click here.
ISA membership entitles you to free access to all ISA Transactions articles plus a wealth of technical content, industry information, free webinars, training opportunities, program discounts, certification and licensure and professional networking.
Join ISA ... learn, advance, succeed!




